煤氣流量計怎么接線圖
煤氣流量計兩線制4-20mA輸出功能接線說明

煤氣流量計三線制4-20mA電流輸出

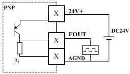
煤氣流量計脈沖輸出接線圖

煤氣流量計RS485輸出接線圖

煤氣流量計IC卡信號接線說明

煤氣流量計三線制供電報警輸出

說明:
1、默認低電平,高電平有效,高電平>2.8V,低電平<0.2V,脈沖寬度可設,詳見菜單說明。
2、任意供電下均有IC卡信號輸出。
下一篇:氮氣流量計的選型參數
上一篇:煤氣流量計測量原理及結構

